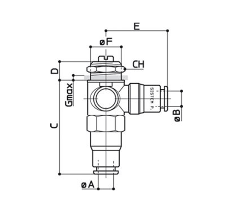
Reguladora de Velocidade Tubo para Painel
| CÓDIGO | A | B | C | D | E | F | G | CH | Peso (g) | Q–>R | R–>Q |
|---|---|---|---|---|---|---|---|---|---|---|---|
| 450060 | 6 | 6 | 42 | 9 | 27 | M12x1 | 6 | 14 | 52 | 0-600 Nl/min | 480 Nl/min |
| 450080 | 8 | 8 | 45,5 | 9 | 30 | M15x1 | 6 | 18 | 78 | 0-850 Nl/min | 650 Nl/min |
| 450100 | 10 | 10 | 57 | 12 | 33,5 | M17x1 | 9 | 20 | 145 | 0-1700 Nl/min | 1250 Nl/min |
| 450120 | 12 | 12 | 57,5 | 12 | 37 | M17x1 | 9 | 20 | 149 | 0-1800 Nl/min | 1300 Nl/min |
| 470060 | 6 | 6 | 42 | 9 | 27 | M12x1 | 6 | 14 | 52 | 0-600 Nl/min | 480 Nl/min |
| 470080 | 8 | 8 | 45,5 | 9 | 30 | M15x1 | 6 | 18 | 78 | 0-850 Nl/min | 650 Nl/min |
| 470100 | 10 | 10 | 57 | 12 | 33,5 | M17x1 | 9 | 20 | 145 | 0-1700 Nl/min | 1250 Nl/min |
| 470120 | 12 | 12 | 57,5 | 12 | 37 | M17x1 | 9 | 20 | 149 | 0-1800 Nl/min | 1300 Nl/min |
| 480060 | 6 | 6 | 42 | 9 | 27 | M12x1 | 6 | 14 | 52 | 0-600 Nl/min | 480 Nl/min |
| 480080 | 8 | 8 | 45,5 | 9 | 30 | M15x1 | 6 | 18 | 78 | 0-850 Nl/min | 650 Nl/min |
| 480100 | 10 | 10 | 57 | 12 | 33,5 | M17x1 | 9 | 20 | 145 | 0-1700 Nl/min | 1250 Nl/min |
| 480120 | 12 | 12 | 57,5 | 12 | 37 | M17x1 | 9 | 20 | 149 | 0-1800 Nl/min | 1300 Nl/min |
| 490060 | 6 | 6 | 42 | 9 | 27 | M12x1 | 6 | 14 | 52 | 0-600 Nl/min | 480 Nl/min |
| 490080 | 8 | 8 | 45,5 | 9 | 30 | M15x1 | 6 | 18 | 78 | 0-850 Nl/min | 650 Nl/min |
| 490100 | 10 | 10 | 57 | 12 | 33,5 | M17x1 | 9 | 20 | 145 | 0-1700 Nl/min | 1250 Nl/min |
| 490120 | 12 | 12 | 57,5 | 12 | 37 | M17x1 | 9 | 20 | 149 | 0-1800 Nl/min | 1300 Nl/min |
| 560060 | 6 | 6 | 42 | 9 | 27 | M12x1 | 6 | 14 | 52 | 0-600 Nl/min | 480 Nl/min |
| 560080 | 8 | 8 | 45,5 | 9 | 30 | M15x1 | 6 | 18 | 78 | 0-850 Nl/min | 650 Nl/min |
| 560100 | 10 | 10 | 57 | 12 | 33,5 | M17x1 | 9 | 20 | 145 | 0-1700 Nl/min | 1250 Nl/min |
| 560120 | 12 | 12 | 57,5 | 12 | 37 | M17x1 | 9 | 20 | 149 | 0-1800 Nl/min | 1300 Nl/min |
Em 2001, a Sistem do Brasil foi oficialmente inaugurada na cidade de Caxias do Sul – RS. Uma joint-venture entre a Sistem Pneumática de Bologna, Itália e o Grupo Manzato de Caxias do Sul, Brasil. A empresa atende diretamente distribuidores, revendas e fabricantes de máquinas.